技術電話:17301986536加盟電話:13689528587

柱式稱重傳感器MK612
產品名稱:柱式稱重傳感器MK612
產品特點:MK612柱式稱重傳感器高穩定性,高可靠性。
產品用途:MK612柱式稱重傳感器廣泛適用于測力、稱重及其他力值的測量與控制系統
量程:600kN(60t)、1000kN(100t)、2000kN(200t)、3000kN(300t)、4000kN(400t)、5000kN(500t)、6000kN(600t)
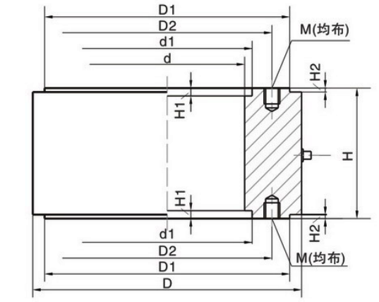
技術參數及外形尺寸:
序號 | 產品技術參數 | |
1 | 額定載荷 | 60t-600t |
2 | 綜合精度 | 0.2%F.S |
3 | 靈敏度 | 2.0mV/V |
4 | 非線性 | ≦0.1%F.S |
5 | 重復性 | ≦0.05%F.S |
6 | 滯后 | ≦0.1%F.S |
7 | 零點溫度影響 | <0.05%F.S/10℃ |
8 | 輸出溫度影響 | <0.05%F.S/10℃ |
9 | 零點輸出 | ±1%F.S |
10 | 輸入阻抗 | 380Ω |
11 | 輸出阻抗 | 350Ω |
12 | 絕緣阻抗 | >2000MΩ |
13 | 激勵電壓 | 10V(DC) |
14 | 工作溫度范圍 | -10~65℃ |
15 | 安全過載 | 120%F.S |
16 | 材質 | 合金鋼 |
17 | 接線方式 | 紅……E+(輸入正) 黑……E-(輸入負) 綠……S+(輸出正) 白……S-(輸出負) |

型號 | 量程(kN) | 量程(t) | D | D1 | D2 | d | d1 | H | H1 | H2 | M |
| MK612 | 600 | 60 | 160 | 140 | 120 | 80 | 100 | 100 | 5 | 5 | 4-M12 |
1000 | 100 | 200 | 170 | 145 | 100 | 120 | 110 | 5 | 5 | 4-M12 | |
1500 | 150 | 225 | 190 | 160 | 120 | 135 | 120 | 5 | 5 | 4-M12 | |
2000 | 200 | 260 | 230 | 195 | 140 | 160 | 130 | 5 | 5 | 4-M12 | |
3000 | 300 | 270 | 245 | 205 | 160 | 180 | 150 | 10 | 5 | 4-M12 | |
4000 | 400 | 295 | 270 | 235 | 160 | 190 | 160 | 10 | 10 | 8-M16 | |
5000 | 500 | 340 | 310 | 265 | 196 | 215 | 165 | 10 | 10 | 8-M16 | |
6500 | 650 | 385 | 355 | 305 | 240 | 260 | 180 | 10 | 20 | 8-M16 |
密克傳感器(深圳)有限公司是傳感器源頭生產廠家,致力于稱重傳感器的研發生產。產品達百余種,廣泛應用于各種工業自動化、機器人、化工、食品、冶金以及醫療等新型和智能化高端領域。按結構分有輪輻式傳感器,S型傳感器,波紋管傳感器,法蘭盤傳感器,柱式傳感器,扭矩傳感器,平行梁傳感器,拉力傳感器等等,按功能應用場景分有試驗機專用傳感器,攪拌站傳感器,稱重傳感器,包裝機傳感器,壓裝機傳感器,皮帶秤傳感器,等等;價格美麗,可定制。
